76 mm (3″) 不锈钢泵
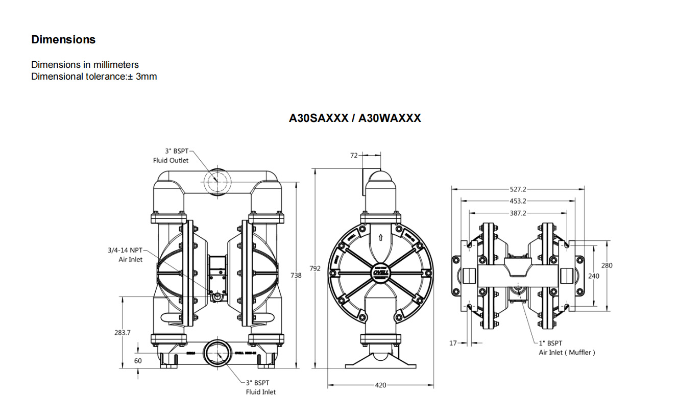
A30SAXXX
A30SAXXX
进气口:3/4" FNPT
进料口:76 mm (2")
出料口:76 mm (2")
连接类型:BSPT
最大吸升高度:6.1m(干)
最大流量:902 lpm (238.3 加仑)
最大压力:8.3 bar (120 psi)
最大颗粒尺寸:10 mm (3/8'')
每冲程排量:5.01 L (1.325 加仑)
Send inquiry
产品详情


